欢迎来到罗托克(天津)自动化技术有限公司网站!

详细介绍
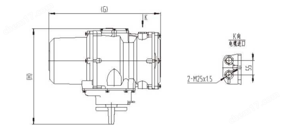
TIT执行机构靖构尺寸(直驟式)



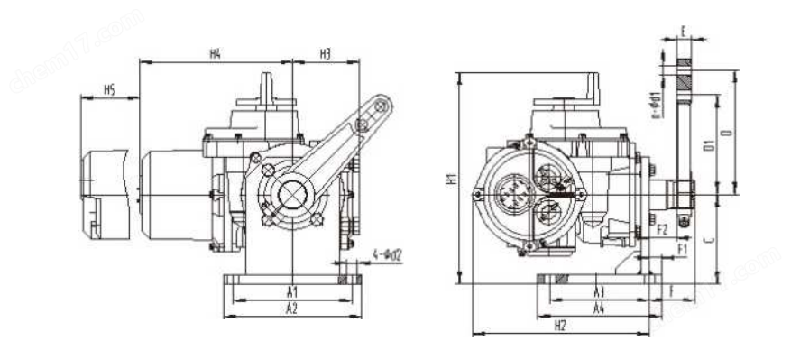
TIT执行机构靖构尺寸(底座式)


■ ♦ | Fl | ■ | 法♦■孔 | ft | ft | A | B | ■ | |||
HT+VF/27iaK(F)NP TIT+VF/JTiamHNP | 04J]Q | F | BBS | M3X12S | B 00 □„ | 2-011 | 043 | F |
TIT执行机构设置角度(角行程)设置距离(直行程):
1、机械设计允许调整范围内,任意值,角行程最小值0-40度,对应4-20mA输出直行程最小值5mm对应4-20mA输出。
2、工作状态:可逆断续工作1200次/小时
3、工作环境,温度-20~80℃,相对温度80%
4、执行标准IEC60259,JB/T8219-1999及参照
开关型执行器接线步骤:
(1)将电气装置引出线与另一跨盒的接线端子对应连接,端子连线一定要压接牢固,不允许虚接、短接。(参照电气接线图)1.2、3、21接单相电机引线(绿黄黑0.75AVR)(2、3为正反转引线并联移相电容,21为电机零线)
(2)40、41接热保护线
(3)14、11、8为行程开关端子,接上限、下限限位开关常闭触点
(4)8、19为超力矩端子,接超力矩开关常闭触点
(5)16、17、18为电位器接线端子
(6)上述内部端子连接好后再次进行目测并用万用表检查,确保准确无误。
(7)因电位器为运动部件,应做到正确连线,引线的过长或过短都会引起开路故障,有必要将连接线做固定处理,避开运动部件的影响,比如:行程开关、超力矩滑杆动作对连线的影响。
产品咨询